
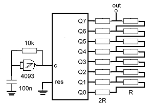
Deze zaagtand-generator bestaat uit een oscillator (4093 o.i.d.) en een teller (b.v. 4040). De weerstand R kan b.v. 10k of 100k zijn. De schakeling kan tot een onbeperkt aantal bits worden uitgebreid.
Voor een eenvoudige DA-converter zijn Q0 tot Qn afkomstig van een register o.i.d..
Voor een eenvoudige AD-converter wordt de zaagtand gestart en loopt door tot de gevraagde spanning is bereikt (met een comparator vast te stellen), daarna wordt de teller-stand uitgelezen, deze methode is langzaam.