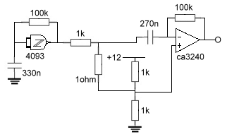
Met een opamp geschakeld als differentiator is een afgestemde kring te maken door de ingang heel laagohmig te maken.

aan de ingang staat de bekende oscillator met schmitt-trigger die oscilleert op een frequentie van ongeveer 60 hz (niet kritisch). Hierna volgt een verzwakker (1000 maal) met een uitgang van 1 ohm. De weerstand van 1 ohm mag ook de uitgang van een andere op-amp zijn natuurlijk, als het maar zeer laagohmig is. Hierna volgt de differentiator die in dit geval filtert op 4.5 kc. Door andere waarden te nemen van de onderdelen wordt een andere piek-frequentie verkregen (formule is niet eenvoudig). Het filter filtert een hogere harmonische uit de blokpuls van de oscillator. De twee weerstanden van 1k komen natuurlijk te vervallen bij een dubbele voeding. De werking is uiterst stabiel.
Gezien op "audacity"-oscilloscoop (niet 4.5 kc)

gezien op een gewone scoop (4.5 kc)

de filter grafiek voor 4.5 kc, versterking is dan ongeveer 1500
